如何提升深海无人航行器无线充电的效率?上海交大学者提出新方法

无线电能传输技术,基于电磁感应的原理,成功地在发射端与接收端之间实现了电力的无线传输,避免了传统有线充电方式在便捷性、插拔时的磨损以及火花产生等问题,显著增强了充电设备的稳定性与可靠性。
电力电子技术的进步使得无线充电技术得以在电动汽车、消费电子以及医疗设备等多个领域得到广泛应用,并逐渐成为近年来备受关注的热点技术。在传统的磁谐振式无线电能传输中,主要通过磁耦合的方式实现,即电子设备的线圈电流产生高频交变磁场,随后通过线圈间的空气介质进行能量耦合,以此完成能量的传输过程。
无线电能传输技术近期在深海无人航行器领域得到了应用,这一技术有效解决了水下航行器在深海环境下的续航难题、充电不便以及充电时可能出现的漏电风险。然而,与空气介质中的无线充电相比,海水介质的存在使得线圈之间的空间被海水占据,这直接导致了无线充电系统的能量传输效率大幅度下降。实际上,海水介质中的涡流损耗主要取决于由发射线圈与接收线圈共同产生的合成感应电场的强度开元棋官方正版下载,故而,这两个线圈中电流的强度及其相位变化对涡流损耗的影响极大。遗憾的是,关于这一领域的深入研究目前还相当匮乏。
上海交通大学的刘宇鑫、高飞等专家,对线圈间电流的相位差异在海水中产生的涡流损耗进行了深入研究,并据此提出了一种新型的水下双边LCC双向无线充电系统。该系统通过一次侧与二次侧之间的移相策略,有效减少了涡流损耗的比例,从而提升了整个系统的运行效率。

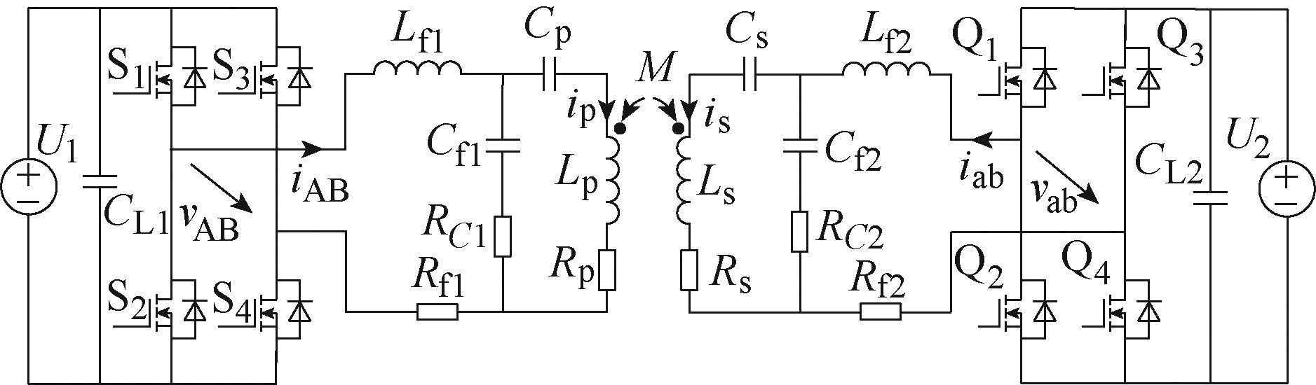
图1 LCC-LCC双向无线电能传输系统电路
研究者依托于复合矢量感应电场数学模型,对双线圈电流引发的合成感应电场及其与线圈电流相位之间的关联进行了深入研究。他们还在圆柱坐标系内,描绘了不同相位差条件下的线圈间海水中合成感应电场的分布情况,并对其涡流损耗进行了计算。

图2 海水介质双边LCC双向无线充电系统实验样机
他们观察到,在两侧逆变器的相位差达到±90°时,由于涡流损耗的影响,海水介质内的能量传输效率仅为90.5%,这一数值显著低于空气介质中的94.2%。而且,随着两线圈电流相位差的增加,海水介质中的合成电场强度逐渐减弱,从而导致涡流损耗在传输功率中所占的比例显著减小。

图3 磁耦合机构具体结构

图4 系统各类损耗占比
为了满足双边LCC型深海无人航行器在双向无线充电领域的特定应用需求,研究者持续提出了一种改进策略,旨在调整一次侧与二次侧逆变电压的相位差。该策略通过提升两侧逆变电压的相位差,有效减少了海水中的涡流损耗。同时,研究者还对涡流损耗的降低比例与电路其他损耗的增加比例进行了对比分析,从而确定了在海水介质中实现最大效率的最佳相位差。
他们的研究数据揭示,与空气作为传输媒介相比kaiyun全站app登录入口,在海水中能量传输达到最高效率时,两个逆变器产生的电压之间的相位差距更为显著。
为了检验效率提升的理论分析成效,研究人员构建了一台200伏特/3.5千瓦的海水无线充电系统模型。在模拟实验的特定条件下,当线圈电流的相位差达到116度时,该系统实现了高达91.5%的传输效率,这一效率比未采用移相技术的系统提高了0.8个百分点。同时,系统两端的逆变器均成功实现了零电压软开关技术。
该研究成果刊登于《电工技术学报》2024年第18期kaiyun全站网页版登录,论文题目是“深海无人航行器双向无线充电系统的涡流损耗分析与效率提升”。该研究项目受到了上海交通大学“深蓝计划”基金以及国家自然科学基金青年科学基金项目的资助。